
Hey YC!
We're Ari and Peter, co-founders of Pirros. Pirros is a detail management system for structural engineers and architects. Our goal is to make it easier to use the knowledge from previous projects to save time on future projects.
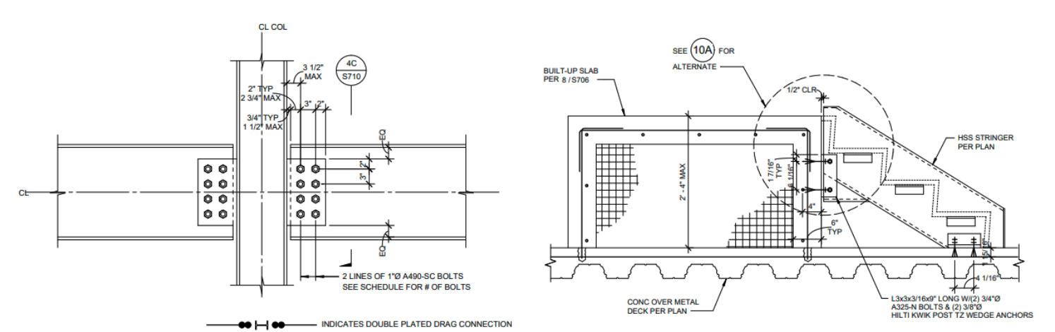
Construction design companies (structural engineering and architectural firms) are wasting time redesigning the same detailing conditions. "Details" are the micro-level blueprints of a construction building, for example a beam to column connection, or a wall assembly (see below). Each construction project has 100s of details, half of which are recreated for each project. 90% of these detailing conditions have been encountered and designed on one of the company's previous projects, the designer just doesn't have easy access to them.
On our platform, companies store the details from all their previous projects in a single cloud-based location (see below). Now, engineers and architects can quickly access any detailing condition just as easily as a google search, instead digging through all their past projects on their file server looking for a needle in a haystack.

Our software integrates with Revit (the industry standard drawing production software), and extracts each detail and all the metadata associated with it, so that there is enough information automatically stored with each detail to make them searchable. Designers come to our website, search and filter down to find the detailing condition they need for their current project, and then download the detail straight into Revit.
We are continuing to onboard new customers and would love warm intros to structural engineers or architects. Or, if YOU are a structural engineer or architect, please reach out to us and we would love to set up a demo.
Thanks!